English
電話 : 0577-63775980 0577-63775986
郵箱 : sales@globalfeipeng.com
XDQ003D L型洗滌器(24V)
XDQ003F L型洗滌器(24V)
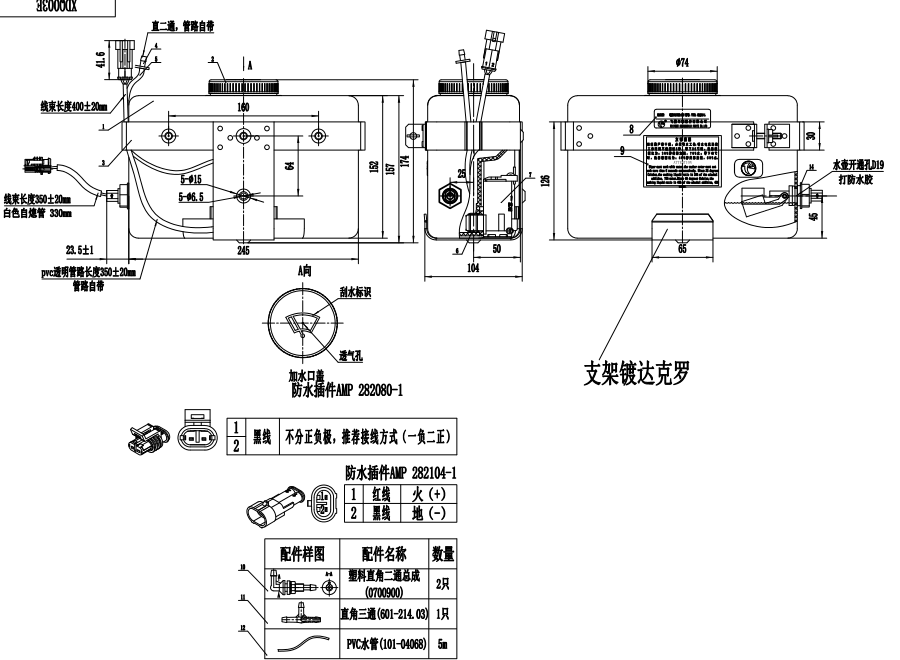
主題 : XDQ003E L型洗滌器(24V)
了解我們更多資訊產品
地址 : 浙江省溫州市平陽縣萬全鎮(zhèn)孫樓工業(yè)區(qū)
內貿 : 0577-63775980
外貿 : 0577-63775986
在線留言
微信掃一掃 :
首頁
產品
Skype
WhatsApp